- 商品介绍
- 规格参数
- 包装参数
- 产品咨询
技术参数
Specifications
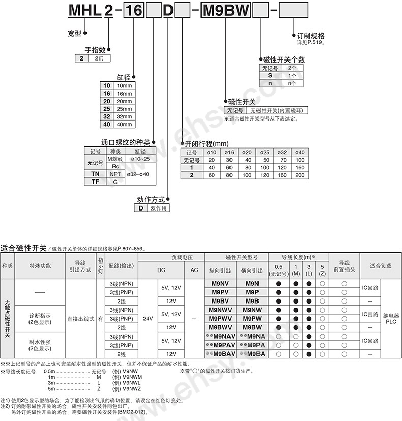
选型指南
SelectionData
产品细节
Details
性能曲线
TechnicalCurves
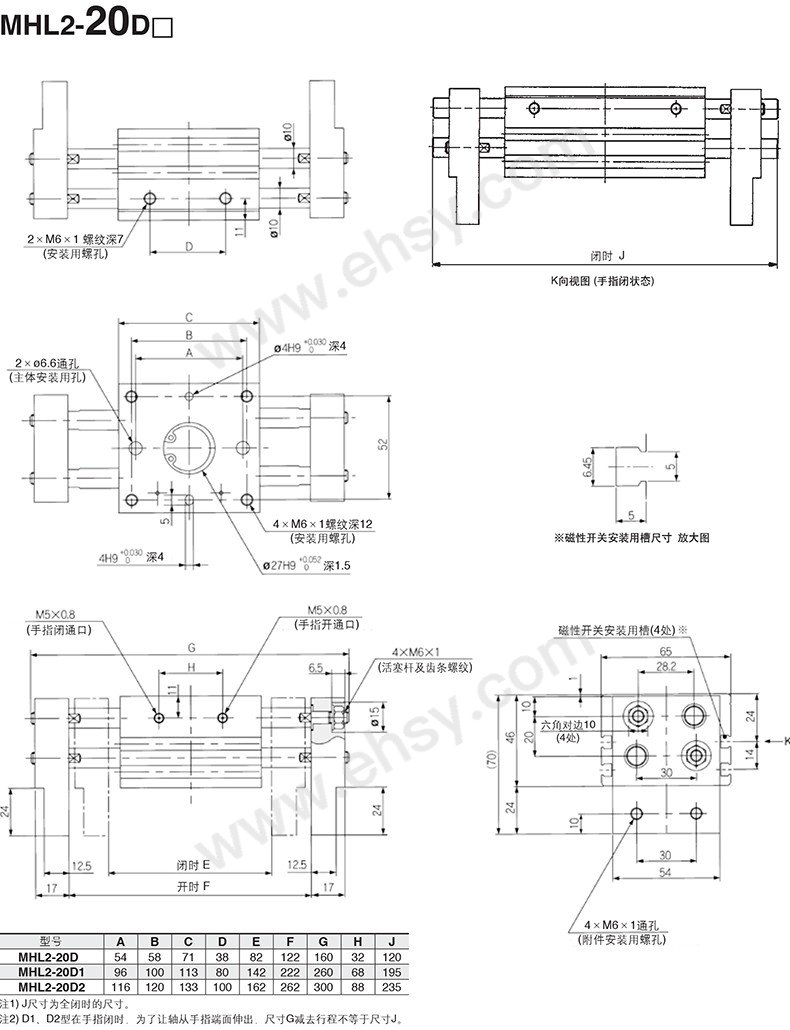
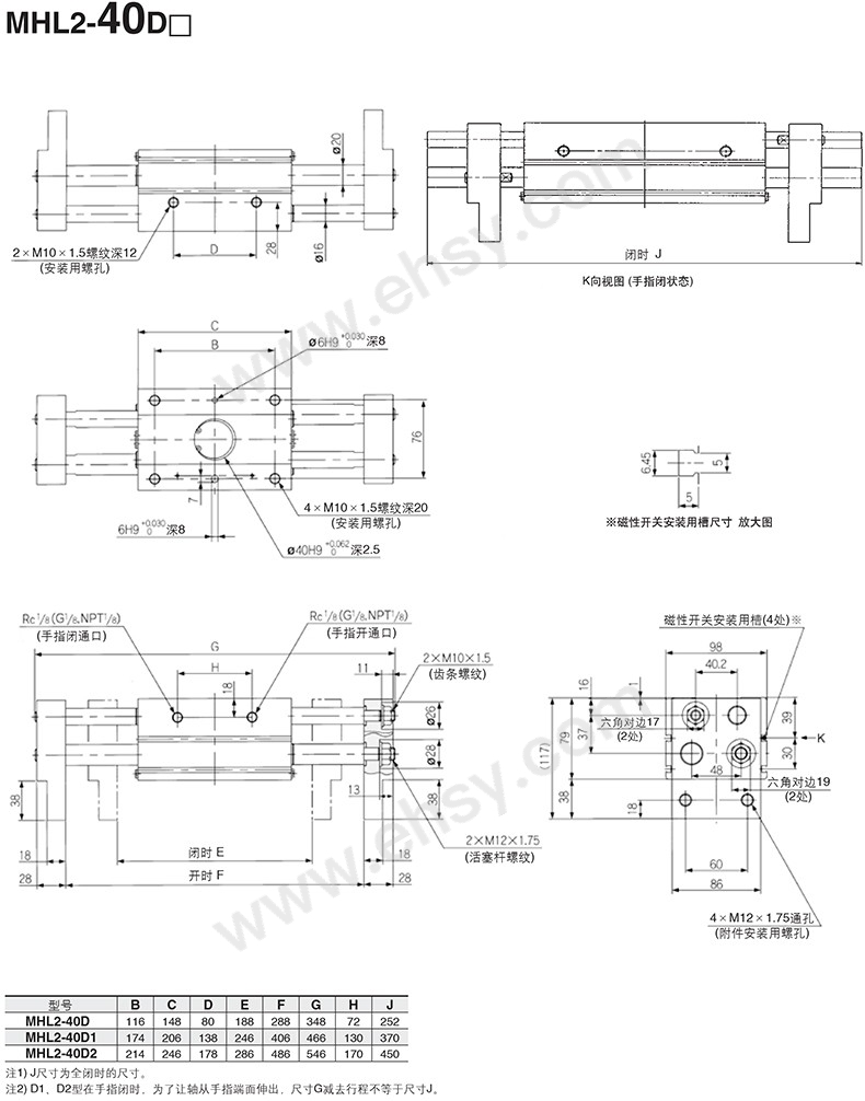
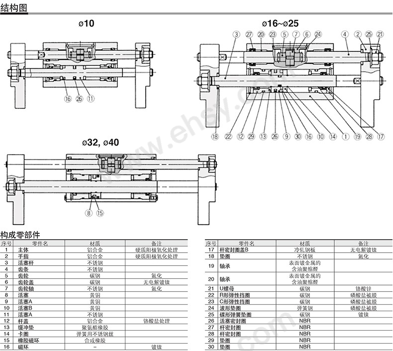
产品尺寸
Dimensions
注意事项
Notices
品牌授权
Brand Authorization
| 规格参数 | |
| 品牌 | SMC/SMC |
| 类别 | 平行开闭型气爪 |
| 系列 | MHL2 |
| 动作方式 | 双作用 |
| 缸径(mm) | 20 |
| 接管口径(inch) | M5 |
| 工作压力(Mpa) | 0.1-0.6 |
| 工作温度(℃) | -10-60 |
| 最高使用频度 (C.P.M) | 60 |
| 重复精度(mm) | ±0.1 |
- 全部咨询
- 购买咨询
- 售后咨询
温馨提示:
- 我们会有专人跟进您的咨询,咨询回复的工作时间为:周一至周五。8:30-17:30,1个工作日(节假日除外)内会尽快给您答复,请耐心等待。
- 如您的问题特别紧急,请拨打我们的客户热线:客服热线:400-821-8800,售后热线:400885-8833
- 您可以到“我的西域-我的咨询”去查看您发布过的所有咨询及西域回复
- 暂无此类咨询
- 买家推荐


