- 商品介绍
- 规格参数
- 包装参数
- 产品咨询
产品介绍
Overview
产品特点
Features
|
技术参数
Specifications
选型指南
SelectionData
产品细节
Details
性能曲线
TechnicalCurves
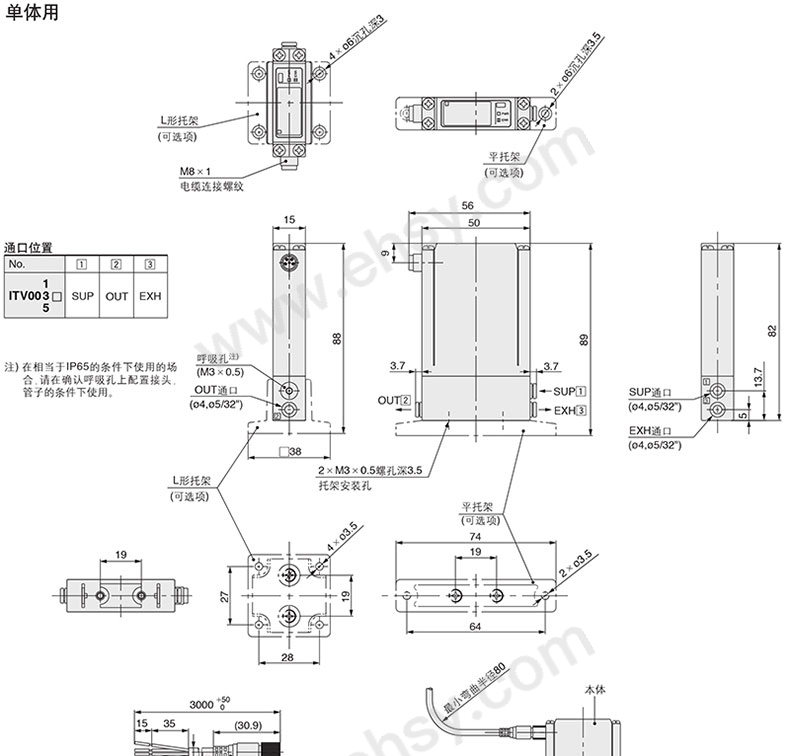
产品尺寸
Dimensions
注意事项
Notices
|
品牌授权
Brand Authorization
| 规格参数 | |
| 品牌 | SMC/SMC |
| 类别 | 薄型电气比例阀 |
| 系列 | ITV |
| 输入信号 | 电压型DC 0-5V |
| 接口尺寸(mm) | Φ4 |
| 设定压力范围(MPa) | 0.001-0.1 |
| 电压(V) | DC12-15 |
| 最高供给压力(Mpa) | 1.0 |
| 工作温度(℃) | 0-50 |
| 托架 | 无托架 |
| 电缆插头 | 直角型2m |
- 全部咨询
- 购买咨询
- 售后咨询
温馨提示:
- 我们会有专人跟进您的咨询,咨询回复的工作时间为:周一至周五。8:30-17:30,1个工作日(节假日除外)内会尽快给您答复,请耐心等待。
- 如您的问题特别紧急,请拨打我们的客户热线:客服热线:400-821-8800,售后热线:400885-8833
- 您可以到“我的西域-我的咨询”去查看您发布过的所有咨询及西域回复
- 暂无此类咨询
- 买家推荐


