- 商品介绍
- 规格参数
- 包装参数
- 产品咨询
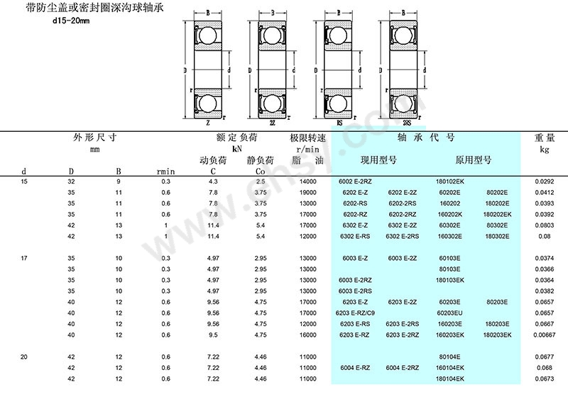
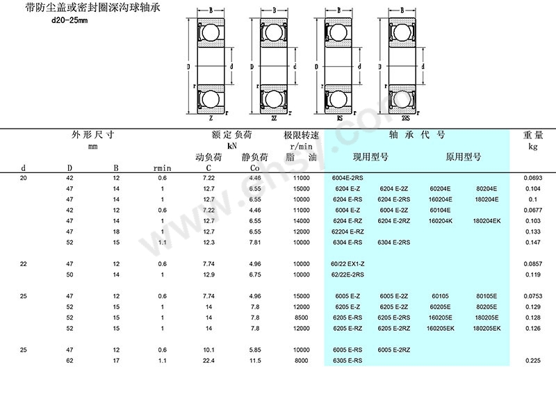
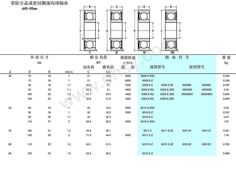
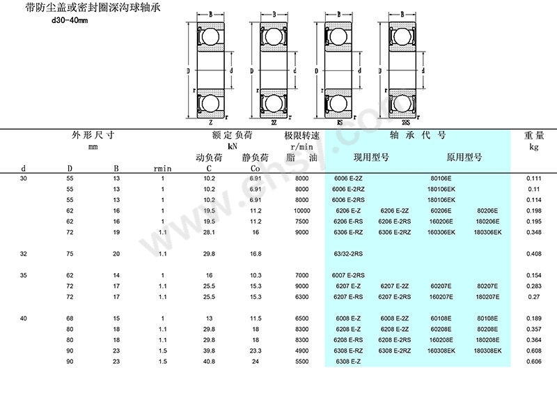
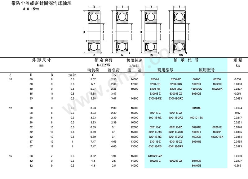
深沟球轴承是滚动轴承中最为普通的一种类型。基本型的深沟球轴承由一个外圈,一个内圈、一组钢球和一组保持架构成。 其结构简单,使用方便,是生产最普遍,应用最广泛的一类轴承。
|
|
备注:后置代号详细说明
(1)内部结构代号
注:1)加强型,即内部结构设计改进,增大轴承承载能力。
(2)密封、防尘与外部形状变化代号
代号 | 含义 |
K | 圆锥孔内径锥度1:12(外球面球轴承除外) |
R | 轴承外圈有止动挡边(凸缘外圈) |
-RS | 轴承一面带骨架式橡胶密封圈(接触式) |
-RZ | 轴承一面带骨架式橡胶密封圈(非接触式) |
-Z | 轴承一面带防尘盖 |
-RSZ | 轴承一面带骨架式橡胶密封圈(接触式)、一面带防尘盖 |
-RZZ -ZN | 轴承一面带骨架式橡胶密封圈(非接触式)、一面带防尘盖 轴承一面带防尘盖,另一面外圈有止动槽 |
-ZNR | 轴承一面带防尘盖,另一面外圈有止动槽并带止动环 |
-ZNB | 轴承一面带防尘盖,同一面外圈有止动槽 |
N1 | 轴承外圈有一个定位槽口 |
N2 | 轴承外圈有两个或两个以上的定位槽口 |
N4 | N+N2,定位槽口和止动槽不在同一侧 |
N6 | N+N2,定位槽口和止动槽在同一侧 |
-FS | 轴承一面带毡圈密封 |
-2FS | 轴承两面带毡圈密封 |
-LS | 轴承一面带骨架式橡胶密封圈(接触式,套圈不开槽) |
-2LS | 轴承两面带骨架式橡胶密封圈(接触式,套圈不开槽) |
WB | 宽内圈轴承(双面宽):WB1单面宽 |
(3)轴承零件材料
代号 | 含义 |
/HV | 套圈、滚动体和保持架或仅是套圈和滚动体由可淬硬不锈钢 (/HV-9Cr18; /HV1-9Cr18Mo)制造 |
/HC | 套圈和滚动体或仅是套圈由渗碳钢(/HC-20Cr2Ni4A; /HC1-20Cr2Mn2MoA;/HC2-15Mn)制造 |
/HG | 套圈和滚动体或仅是套圈由其它轴承钢 (/HG-5CrMnMo;/HG1-55SiMoVA)制造 |
F | 钢、球墨铸铁或粉末冶金实体保持架(F1-碳钢;F2-石墨钢;F3-球 墨铸铁;F4-粉末冶金) |
Q | 青铜实体保持架(Q1-铝铁锰青铜;Q2-硅铁锌青铜;Q3-硅镍青铜; Q4-铝青铜) |
J | 钢板冲压保持架 |
V | 满装滚动体(无保持架) |
(4)公差等级及游隙代号
代号 | 含义 |
| /P6 | 公差等级符合标准规定的6级 |
/P4 | 公差等级符合标准规定的4级 |
/P2 | 公差等级符合标准规定的2级 |
/C5 | 游隙符合标准规定的4组 |
/C5 | 游隙符合标准规定的5组 |
/CM | 电机用深沟球轴承游隙 |
/C9 | 轴承的游隙不同于现标准 |
注:当公差等级与游隙代号需同时表示时,可简化表示为P63、P43等,其中/P6表示轴承公差等级P6级,径向游隙3组;/P43表示轴
承公差等级P4级,径向游隙3组。
(5)尺寸系列
代号 | 含义 |
X1 | 轴承外径尺寸非标准 |
X2 | 轴承宽度(高度)非标准 |
X3 | 轴承外径、宽(高)度非标准(标准内经) |
(6)其它特性代号
代号 | 含义 |
/Z | 轴承振动加速度级极值组别。附加数字表示极值不同,分Z1组;Z2组;Z3组 |
/V | 轴承振动速度级极值组别。附加数字表示极值不同,分V1组;V2 组;V3组 |
/S0 | 轴承套圈经过高温回火处理,工作温度可达150°C |
/S1 | 轴承套圈经过高温回火处理,工作温度可达200°C |
/S2 | 轴承套圈经过高温回火处理,工作温度可达250°C |
/S3 | 轴承套圈经过高温回火处理,工作温度可达300°C |
/S4 | 轴承套圈经过高温回火处理,工作温度可达350°C |
/HT | 轴承内充特殊高温润滑脂。当轴承内润滑脂的装填量和标准值不同时附加字母表示: A—润滑脂的装填量少于标准值;B—润滑脂的装填量多于标准值; C—润滑脂的装填量多于B(充满) |
/LT | 轴承内充特殊低温润滑脂 |
/MT | 轴承内充特殊中温润滑脂 |
/LHT | 轴承内充特殊高、低温润滑油脂 |
/Y | Y和另一个字母(如YA、YB)组合用来识别无法用现有后置代号表达的非成系列的改变 |
/YA | 结构改变(综合表达) |
/YB | 技术条件改变(综合表达) |
注:凡轴承代号中有/Y和另一个字母或加数字的后置代号,应查阅图纸或补充技术条件或向本公司产品设计部门咨询以便了解其改变
的具体内容。
深沟球轴承可用于精密仪表、变速箱、仪器仪表、电机、家用电器、内燃机、交通车辆、农业机械、建筑机械、工程机械,悠悠球等。
| 规格参数 | |
| 品牌 | 洛轴/LYC |
| 类别 | 深沟球轴承 |
| 密封防尘盖 | 铁盖密封 |
| 是否带法兰 | 否 |
| 内径(mm) | 25 |
| 外径(mm) | 52 |
- 全部咨询
- 购买咨询
- 售后咨询
- 我们会有专人跟进您的咨询,咨询回复的工作时间为:周一至周五。8:30-17:30,1个工作日(节假日除外)内会尽快给您答复,请耐心等待。
- 如您的问题特别紧急,请拨打我们的客户热线:客服热线:400-821-8800,售后热线:400885-8833
- 您可以到“我的西域-我的咨询”去查看您发布过的所有咨询及西域回复
- 暂无此类咨询
- 买家推荐
- 行业推荐


