- 商品介绍
- 规格参数
- 包装参数
- 产品咨询
组合螺钉是指一个螺钉配一个弹垫在配一个平垫通过搓牙,组合紧固在一起的组合件。
组合螺钉广泛运用于电气,电力,机械,电子,家用电器,家具,船船等等。但不同的组合螺钉有不同的作用。比如说十字盘头组合
螺钉,一般运用于小的电子产品上。大一点的十字外六角组合螺钉运用于大一点的电气产品上,如变频器,大的一些变频器上面就有
用到很多十字外六角组合螺钉。打在变频器机壳上。使放松紧固作用。在比如带花齿二组合螺钉,这个用在变频器上,作用是用来破
漆的,使机壳板面上的二组合螺钉全部都通电。还有比如四方压线二组合螺钉,它本身是一个盘头螺钉带上一个四方垫的二组合螺
钉。一般是运用在接线端子上在面的。作用在于用来接线的,用来压线的。
如今,在人工成本的不断上升中,组合螺钉被越来越多的生产型企业重视并广泛应用在生产线组装上,使用组合螺钉既解决了安装时
组装平垫圈、弹簧垫圈带来的人工资源浪费,又避免了组装遗漏的问题。从而在生产源头上节省成本。
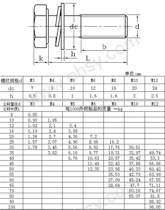
8.8级GB9074.17外六角三组合尺寸参数 | |||||
M4 | M5 | M6 | M8 | M10 | |
头部对边 | 6.64-7.0 | 8.64-9.0 | 10-10.5 | 13.57-14.0 | 10-10.5 |
头部厚度 | 2.61-2.75 | 3.27-3.45 | 3.8-4.1 | 5.1-5.4 | 3.8-4.1 |
平垫外径 | 7.64-8.0 | 9.64-10.0 | 11.57-12.0 | 15.57-16.0 | 11.57-12.0 |
1、正确选择产品
1)在使用之前先确认产品的机械性能是否满足客户使用要求(如螺栓的抗拉强度和螺帽的安全负荷)。
2)螺栓的长度选择应恰当,以旋紧后露出螺帽1-2个牙距为准。
3)使用前产品螺纹应保持清洁。
2、如何正确使用紧固件
1)拧紧时应注意扳手施力方向要与螺杆轴线重合,切勿倾斜。
2)在旋紧过程中用力不可超过安全扭力且要均匀,尽量选用扭力扳手或者套筒配合使用。
3)上锁速度过快会导致锁死,建议不要使用电动或气动扳手。
4)保持螺纹清洁,为确保螺丝和螺帽配合顺畅,建议把产品装在干净的容器内取用,勿随意放置。
3、维护保养标准
1)拆卸下的螺丝、螺帽有轻微损伤的,应用板牙、丝锥修复。
2)拆下的和修复的螺丝、螺帽应以油泡或上润滑油的方式进行保养,并按规格、型号用途分类摆放整齐。
4、报废标准
有明显裂纹、断扣、滑死、乱扣、螺杆拉伸变形、剪切痕迹等其他一切经现场领导认定不能修复的螺栓方可报废处理。
| 规格参数 | |
| 品牌 | 哈德威 |
| 类别 | 外六角三组合螺丝 |
| 材质 | 碳钢8.8级 |
| 产品标准 | GB9074.17 |
| 螺纹规格 | M8-1.25 |
| 长度L | 35 |
| 组套件数 | 三组合 |
| 表面处理 | 彩锌 |
- 全部咨询
- 购买咨询
- 售后咨询
- 我们会有专人跟进您的咨询,咨询回复的工作时间为:周一至周五。8:30-17:30,1个工作日(节假日除外)内会尽快给您答复,请耐心等待。
- 如您的问题特别紧急,请拨打我们的客户热线:客服热线:400-821-8800,售后热线:400885-8833
- 您可以到“我的西域-我的咨询”去查看您发布过的所有咨询及西域回复
- 暂无此类咨询
- 买家推荐




